

| Part # | 1-11238-XXX |
| Replaces # | 004519-XX |
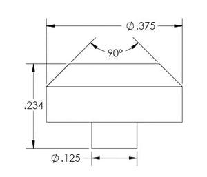
Accustream's Ruby Orifice - Standard Mount 1-11238-XXX is a direct replacement for Flow 004519-XX. Water only application.
Click here to shop our full selection of Flow style replacement water jet parts
Manufacturer and Service:
AccuStream products are rigorously engineered to meet or exceed OEM quality and performance, and are backed by our technical support team available to help answer questions 1-866-566-7099 or tshelp@hypertherm.com
AccuStream Difference
It takes a team to develop and manufacture parts that meet our high standards. Our team at AccuStream is made up of 100% Associate owners in various roles providing our customers with the premium water jet parts they have grown to expect over the past 20 years.
Our highly experienced engineers design parts to meet or exceed OEM performance and quality. Our in-house quality team ensures that our parts meet our high standards of component life and quality, and our technical service team provides the expertise needed to help get you back up and running. It is those things that differentiate us from our competitors and allows us to be the leading supplier of water jet replacement parts and provide our customers with the best products and service possible.
AccuStream’s value in premium consumable parts is simple: high quality for your waterjet system, more money in your pocket. AccuStream offers premium replacements parts for every major brand.
Check out the behind the scenes of AccuStream's 40,000 sq. ft. facility in Minnesota
×
The advantages of ordering from a local distributor include lower shipping costs and shorter lead times to receive parts.
Rockridge Abrasives
Abrasive Products
3131 N Franklin Rd, Ste D
Indianapolis,
IN
46226
Phone: 800-428-4456
Email: office@abrasiveproducts.com
Web: rockridgeabrasives.com/waterjetcuttingparts
Rockridge Abrasives
ABS Supply
15480 17th Ave NE
Little Falls,
MN
56345
Phone: 877-909-7848
Email: Mark@abrasiveblastsupply.com
Web: rockridgeabrasives.com/waterjetcuttingparts
Rockridge Abrasives
Delong Equipment
1216 Zonolite Rd
Atlanta,
GA
30306
Phone: 404-607-1234
Email: sales@delongequipment.com
Web: rockridgeabrasives.com/waterjetcuttingparts
Rockridge Abrasives
GNP Ceramics
37 John Glenn Drive
Amherst,
NY
14228
Phone: 716-759-6600
Email: ksondel@gnapceramics.com
Web: rockridgeabrasives.com/waterjetcuttingparts
Rockridge Abrasives
S.O.T Abrasives & Equipment
10750 Metric Drive
Dallas,
TX
75243
Phone: 214-340-0222
Email: jcoleman@sotabrasives.com and jgrider@sotabrasives.com
Web: rockridgeabrasives.com/waterjetcuttingparts
Rockridge Abrasives
Stratus Technologies
10 Beaumont Rd. Unit C
Wallingford,
CT
06492
Phone: 203-793-1666
Email: stratusorders@surfaceprep.com
Web: rockridgeabrasives.com/waterjetcuttingparts
Rockridge Abrasives
Surface Preparation Texas
5973 South Loop East
Houston,
TX
77033
Phone: 800-374-4043
Email: tfincher@surfaceprep.com and sshoesmith@surfaceprep.com
Web: rockridgeabrasives.com/waterjetcuttingparts
EDM
1400 Pioneer Street
Brea,
CA
92821
Phone: 800-336-2946
Email: information@edmperformance.com
Web: edmperformance.com
AHB Tooling & Machinery, Inc.
15300 Martin Rd
Roseville,
MI
48066
Phone: 800-991-4225
Email: customerservice@ahbinc.com
Web: ahbinc.com/
United Western
6201 E 42nd Ave
Denver,
CO
80216
Phone: 303-388-1224
Email: orders@uniwestdenver.com
Web: unitedwesterndenver.com/